
MIL-DTL-20078D
? Ø ¼ x 100º
100º
SH 1096
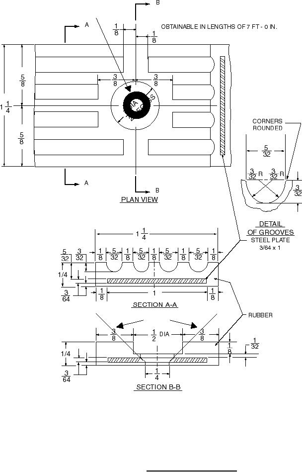
Notes: Except as noted, all dimensions are in inches.
FIGURE 1. Details for types A-1 and A-2.
7
For Parts Inquires call Parts Hangar, Inc (727) 493-0744
© Copyright 2015 Integrated Publishing, Inc.
A Service Disabled Veteran Owned Small Business