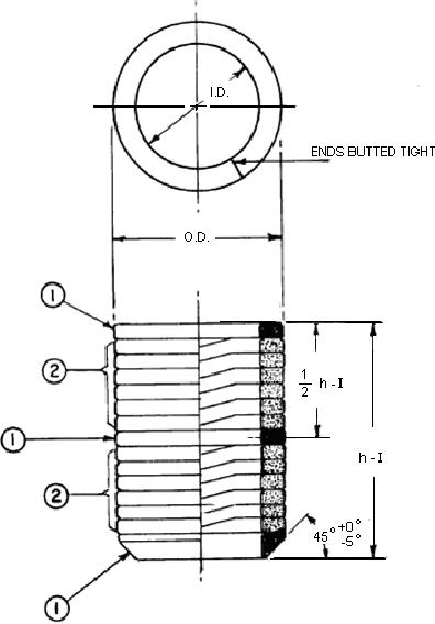
MIL-DTL-16685 Packing, Material And Packing Preformed \(Stuffing Tube For Electric Cables\)This specification covers rounded packing on spools or reels and preformed packing for electric cable seals in stuffing tubes.